エコピ画像

バランスからアンバランスへ 変換ケーブルを自作する 痕跡 Traceback

Buc 160 Imagenics

Http Www Sigma Elec Co Jp Technology Tech2 Pdf

Umbrella Company バランスーアンバランスのケーブル接続について

アンバランス 3 1 スプレッドコミックス 林達永 李秀顯 マンガ Kindleストア Amazon

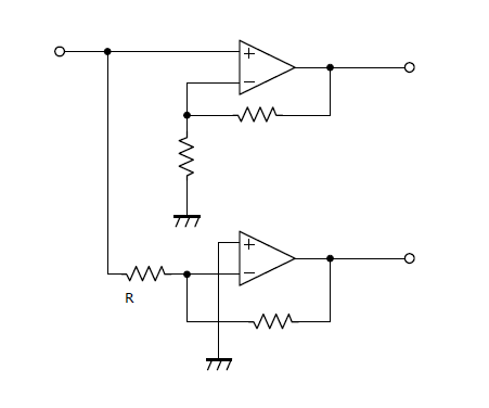
バランスアンバランス変換回路 不平衡入力をバランス出力します 通常のrcaピンをxlrに変換 音にトランスのような癖がありません トランスと同じように使えます 簡易なコールド側反転回路ではありません Btlアダプタとしても使用できます

Amazon 12t Rca バランス アンバランス変換トランス Tomoca Rcaケーブル

O Xrhsths がっきー E イヤホン クリニックdr Sto Twitter 4 4f5極バランス シングルミニプラグ変換ケーブル作成承りました ノ お持ちいただいたケーブルにnobunagalabs 4 4f5極ジャックを取り付けてバランス アンバランス変換ケーブルを作成 ご希望の

バランスとアンバランスって何 オーディオ ケーブルの種類との違い 今さら聞けない用語シリーズ Digiland デジランド デジタル楽器情報サイト

拡大画像 レビュー ネットワーク再生とヘッドフォンを小型機でも一段上の音に Nt 503 でハイレゾ活用 19 32 Av Watch Watch

拡大画像 レビュー バランス接続 に本腰 ソニー最上位ヘッドフォン Mdr Z7 ポタアン Pha 3 を聴く 42 Av Watch Watch

アンバランス 18年半担当 ごきげんよう 前説を卒業 お笑いナタリー

くじびき アンバランス Genco Inc

Umbrella Company バランスーアンバランスのケーブル接続について

アンバランス Unbalance 水戸 水戸駅 ダイニングバー バル ホットペッパーグルメ

Amazon Dvd恐怖劇場アンバランス Vol 1 Tvドラマ

修造の オーディオの基礎 基本 入門編 バランス アンバランスについて アフロオーディオスタッフブログ

バランスとアンバランスって何 オーディオ ケーブルの種類との違い 今さら聞けない用語シリーズ Digiland デジランド デジタル楽器情報サイト

バランス出力ヘッドフォンアンプ Model404

完全差動型バランス アンバランス駆動ヘッドホンアンプの製作 基本設計

アンバランス修正ソフトウェア Field Balance 自動車関連試験機 計測 制御 シミュレーション 商品 サービス 株式会社エー アンド デイ

レインボーアンバランス 送料無料 トイザらス

1995 号 アンバランス バランス変換回路 Astamuse

Es9018 Dacからのトランスによるアンバランスへの変換 Inside Out

モグラbtlアンプの作成その2 アンバランス バランス変換回路の作成 秀のblog

12t Rca バランス アンバランス変換トランス クロスタウンストア 通販 Yahoo ショッピング

楽天市場 カラフル アンバランスブロック メール便 非対応 タカハシ楽天市場店

レコード音楽を真空管増幅 バランス伝送で聴く 田口寛のホームページ 三重大学名誉教授 特任教授

ウッディーアンバランス 商品情報 メガトイ メガハウスのおもちゃ情報サイト

期間限定 秋のusedセール 2 8円 1 280円 早い者勝ち Belden ケーブル 8412tsフォン Rcaアンバランスケーブル50cm 2本1ペア Dj機材アナログレコード専門店otairecord

オリジナルのパッドケーブルを特注で作ってもらいました バランス アンバランス変換 db減衰 Ryo Kimura Note

いまさら聞けないシリーズその6 バランスとアンバランスの違いは Mackie Japan News

ステージ27 アンバランス2 イケボーイ 脱出ゲーム ゲーム攻略 Iphoroid 脱出ゲーム攻略 国内最大の脱出ゲーム総合サイト

バランス出力からアンバランス入力へ バランス出力のオーディオインタ イヤホン ヘッドホン 補聴器 教えて Goo

アンバランス 太田プロダクション

平衡 不平衡変換アンプキット ゲイン1倍タイプ 2回路 Balun 2134 デジット

バランス変換ボリューム製作 設計編 ウィークエンド オーディオ

バランス アンバランス まとめ on楽工房奮戦記byよっさん アコギ

バランス 平衡 市民のための美術入門1 油絵のすすめ

バランス変換器製作 Phile Webコミュニティ

解説 バランス接続の効果や違いは イヤホンによって変化する けもログ

Q Tbn 3aand9gctqfaq5c6vo176dwuar9gxpidiya4vpimgqbvingjbqpbdrvedv Usqp Cau

アンバランス信号 と バランス信号 の違いって らいふぉ部

バランスケーブルとアンバランスケーブルの違い Pa Information For Beginner

La 81 製品トップ Tascam 日本

La 40mkiii 製品トップ Tascam 日本

バランスケーブルとアンバランスケーブルの仕組みと使い方の違いについて 解説 Dtm Driver

くじびきアンバランス アニメ動画見放題 Dアニメストア

シールドのバランスとアンバランスの違い Naver まとめ

Like Or Love 究極アンバランス Dvd付盤 純情のアフィリア Hmv Books Online Ussw 231

バランスとアンバランスって何 オーディオ ケーブルの種類との違い 今さら聞けない用語シリーズ Digiland デジランド デジタル楽器情報サイト

バランスケーブルとアンバランスケーブルの違い Pa Information For Beginner

Rca Xlr Btl Drv134 シングルエンド転送バランスアンバランスバランスプリアンプボード T02 Aliexpress

Mgシリーズ共通 バランス型 と インピーダンスバランス型 とはどのように違うのでしょうか ヤマハ

インターフェースについて その2 Dtm初心者ガイド

世代間のアンバランス 年齢別1人当たりの医療費 保険料 自己負担の変化額 九州医事研究会ニュース

3月9日発売 恐怖劇場アンバランス Blu Ray Box まさかの映像特典内容 Youtube

ケーブル バランス伝送 平衡伝送 ってナニ

バランスとアンバランスって何 オーディオ ケーブルの種類との違い 今さら聞けない用語シリーズ Digiland デジランド デジタル楽器情報サイト

究極アンバランス 歌詞 純情のアフィリア 歌詞探索 Lyrical Nonsense 歌詞リリ

アンバランスtoバランス変換基板 Bla 01

静的アンバランスとは何 Weblio辞書

株式会社トライテック

音楽レコーディング講座第三回 ケーブルについて Studio Orque

バランスとアンバランスって何 オーディオ ケーブルの種類との違い 今さら聞けない用語シリーズ Digiland デジランド デジタル楽器情報サイト

Amazon 11t Rca バランス アンバランス変換トランス Tomoca Rcaケーブル

ノイズの軽減に効果あり バランス接続 と アンバランス接続 の違いとは エフェクターの基礎知識vol 2 Soundrope

グランド分離とバランス接続での接続の注意点

アンバランス To バランス変換回路 いろいろ New Western Elec

アンバランスtoバランス変換基板 Bla 01 スイッチサイエンス

同じ色でも 持ってくる位置でイメージが変わる バランスとアンバランス Cocolor 都外川八恵 色 スタイリング専門家 バースカラーインストラクター カラーコーディネーター カラーコンサルタント カラーリスト パーソナルスタイリスト ショッピング同行 オーダー

Q Tbn 3aand9gcrqrwnugppebw G2yolacap0uujwd1dabhdfyvzxw3y5aazf4 Usqp Cau

Btl

ケーブルのバランスとアンバランスってどう違うの おとてく

グランド分離とバランス接続での接続の注意点

1

ガムアンバランス 商品情報 メガトイ メガハウスのおもちゃ情報サイト

完全差動型バランス アンバランス駆動ヘッドホンアンプの製作 基本設計

振動診断基礎講座 第9回 振動の要因とその特徴 アンバランス

Phasemation フェーズメーション

芸人仲間が応援 アンバランスが太田プロ所属に お笑いナタリー

ケーブルの基礎知識 バランス アンバランスって

アンバランスm2 玩具の卸売サイト カワダオンライン

バランスとアンバランス オーディオ機器のケーブル接続 岩崎将史のブログ

13 号 バランス アンバランス信号出力回路 Astamuse

バランス変換 アマチュア無線 By Ji1ani

バランスとアンバランス

Q Tbn 3aand9gctpex1tto Vp Ghvo Fzymni2qvhtm9zh7ujpanu Spf5et2tww Usqp Cau

Amazon Music 純情のアフィリアの究極アンバランス Tvsize Amazon Co Jp

アンバランスの中のバランス 松本市美術館

アンバランスtoバランス変換基板 Bla 01 スイッチサイエンス

Kick The Can Crew キック ザ カン クルー アンバランス Warner Music Japan

ケーブルのバランスとアンバランスってどう違うの おとてく

平衡 不平衡変換アンプキット ゲイン1倍タイプ 2回路 Balun 2134 デジット

2 5mmバランスを3 5mmアンバランスへ変換するプラグを購入しました これは1つあると便利

多摩美大入試ガイド 19

Amazon Like Or Love 究極アンバランス アニメコラボ盤 純情のアフィリア アニメ 音楽

ピック スリー Pick Three 東洋経済

バランスとアンバランスって何 オーディオ ケーブルの種類との違い 今さら聞けない用語シリーズ Digiland デジランド デジタル楽器情報サイト

Art Clean Box Pro 2chレベル コンバーター

メルカリ 4 4mm5p 3 5mm 変換ケーブル バランス アンバランス ケーブル シールド 3 999 中古や未使用のフリマ

Bac 03 バランス アンバランス オーディオコンバーター

マイク接続用ユーロブロック変換ケーブル Phone アンバランス接続 用 法人様向けタブレット オーディオ デジタルサイネージ製品情報 Ods Direct

バランスって音良いの Vol 8 ムジカ公式ブログ Musica Official Weblog